|
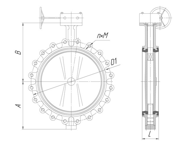
DN |
Размеры, мм |
Масса с редуктором, кг |
||||||
|
A |
B |
L |
D1 |
n*М |
||||
|
PN10 |
PN16 |
PN10 |
PN16 |
|||||
|
40 |
70 |
133 |
33 |
110 |
110 |
4хМ16 |
4хМ16 |
3,8 |
|
50 |
62 |
141 |
43 |
125 |
125 |
4хМ16 |
4хМ16 |
4 |
|
65 |
72 |
153 |
46 |
145 |
145 |
4хМ16 |
4хМ16 |
5,1 |
|
80 |
87 |
161 |
46 |
160 |
160 |
4хМ16 |
4хМ16 |
6,5 |
|
100 |
106 |
170 |
52 |
180 |
180 |
8хМ16 |
8хМ16 |
7,5 |
|
125 |
123 |
193 |
56 |
210 |
210 |
8хМ16 |
8хМ16 |
10 |
|
150 |
138 |
204 |
56 |
240 |
240 |
8хМ20 |
8хМ20 |
12,3 |
|
200 |
173 |
247 |
60 |
295 |
295 |
8хМ20 |
12хМ20 |
21,4 |
|
250 |
207 |
280 |
68 |
350 |
355 |
12хМ20 |
12хМ24 |
31 |
|
300 |
250 |
324 |
78 |
400 |
410 |
12хМ20 |
12хМ24 |
53 |
|
350 |
267 |
368 |
78 |
460 |
470 |
16хМ20 |
16хМ24 |
65 |
|
400 |
312 |
400 |
102 |
515 |
525 |
16хМ24 |
16хМ27 |
87 |
|
450 |
350 |
425 |
114 |
565 |
585 |
20хМ24 |
20хМ27 |
125 |
|
500 |
363 |
485 |
127 |
620 |
650 |
20хМ24 |
20хМ30 |
175 |
|
600 |
459 |
565 |
154 |
725 |
770 |
20хМ27 |
20хМ33 |
253 |
Фланцевые и межфланцевые модели дисковых поворотных затворов к трубопроводах. Они проявляют несущественное гидравлическое сопротивление, так что будут крайне полезны. Также стоит отметить, что с рабочей жидкостью будет контактировать исключительно уплотнение и диск.
Частное предприятие "Аника-Инвест"
220026, г. Минск, переулок Бехтерева, д.8, ком.229
+375 (17) 235-06-02; +375 (29) 281-01-13;
+375 (29) 611-08-09; +375 (29) 616-13-06
E-mail: 6113544@mail.ru
